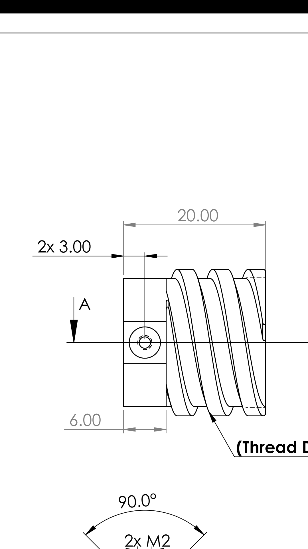
Hello, I've a sketch of thread and I would like to know if it is single or double. Thank you
It definitely looks like 2 threads from that top drawing.
That would advance the "nut" faster and still give you more "grip"/strength than a single acme thread.
I would also agree with Jo Jo:
"It definitely looks like 2 threads from that top drawing."
Also, in the frontview the thread starts on the opposite side at pretty much the same depth -> which wouldn't work out with only one thread.