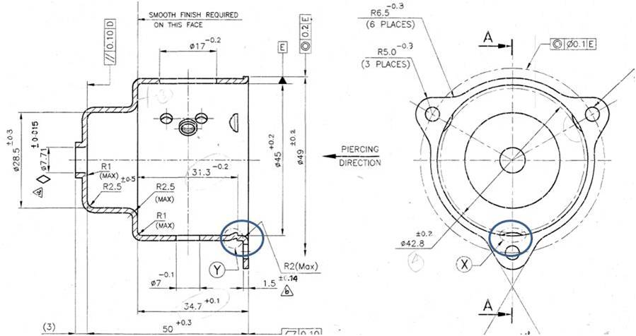
how to draw projections as like attached image??

how to draw projections as like attached image??

2 Answers

I would revolve the whole shape then trim the lip part with cut extrude.

Revolving the same profile all the way around could work, but you would need a few operations to correct the pattern around the remainder of the part where that specific profile is not needed.

In my opinion you could create planes at the appropriate angles around the outside circumference and then work from there. Planes would be set up like attached pics.

I cant tell exactly how the gusset-like features are made, but if you have additional drawings I'm sure it could be completed.