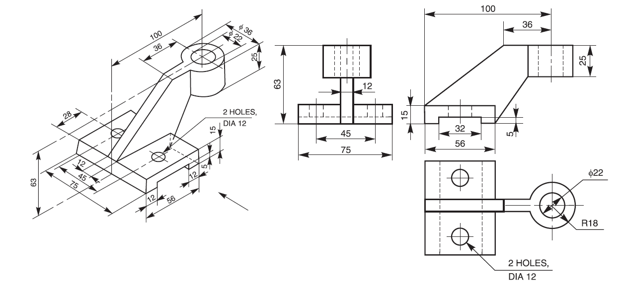
Tutorial - Using Combine feature to create part in SolidWorks?
3 Answers
Here is the tutorial.
Answered with a tutorial: https://grabcad.com/tutorials/tutorial-using-combine-feature-to-create-part-in-solidworks
Here is the tutorial.
Answered with a tutorial: https://grabcad.com/tutorials/tutorial-using-combine-feature-to-create-part-in-solidworks
good trick Sudhir
combine order is gray, how to active it please?