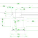
MODEL NO 10 FOR BEGINNERS IN SOLIDWORKS / BEGINNERS EXERCISE NO 10 IN SOLIDWORKS

MODEL NO 10 FOR BEGINNERS IN SOLIDWORKS / BEGINNERS EXERCISE NO 10 IN SOLIDWORKS

Hello friends my name is Pawan Kumar and welcome to SOLIDWORKS PROJECTS channel. In this channel you learn about solidwork software.

image link : https://drive.google.com/file/d/175McAkVUxAqNnlG17U_2a1Xe7_LGAHuM/view?usp=drivesdk

please subscribe my channel and follow us on social media

Facebook : https://www.facebook.com/SOLIDWORKSPRO216/

Twitter : https://twitter.com/SOLIDWORKSPROJ1?s=09
#SOLIDWORKSPROJECTS #MODELNO10 #BEGINNERSEXERCISE #SOLIDWORKS #EXERCISE

  1. Step 1:


Comments