Solidworks Property Tab: How to Create, save And Apply - By MD RASHID


Solidworks Property Tab: How to Create, save And Apply - By MD RASHID
If You Have Any Question In Your Mind,You Can ask Questions by writing in the comment box.
Thank You So Much...
Our Social Link:-
YoueTube Channel :- https://www.youtube.com/channel/UCAyBvazNmREcTfbAOkwHHtw?view_as=subscriber
Linkdind:- https://www.linkedin.com/in/mohammad-rashid-910a28143/
Facebook:- https://www.facebook.com/mdrashid20
Twitter:- https://twitter.com/Mohamma76006272
Email Id- rashid20294@gmail.com
-
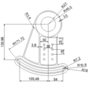
Step 1: Solidworks Property Tab: How to Create, save And Apply - By MD RASHID