SolidWorks Widget
Using simple shapes to create a complex part. This tutorial is to show a new modeler that everything does not need to be completed in one or two steps.
-
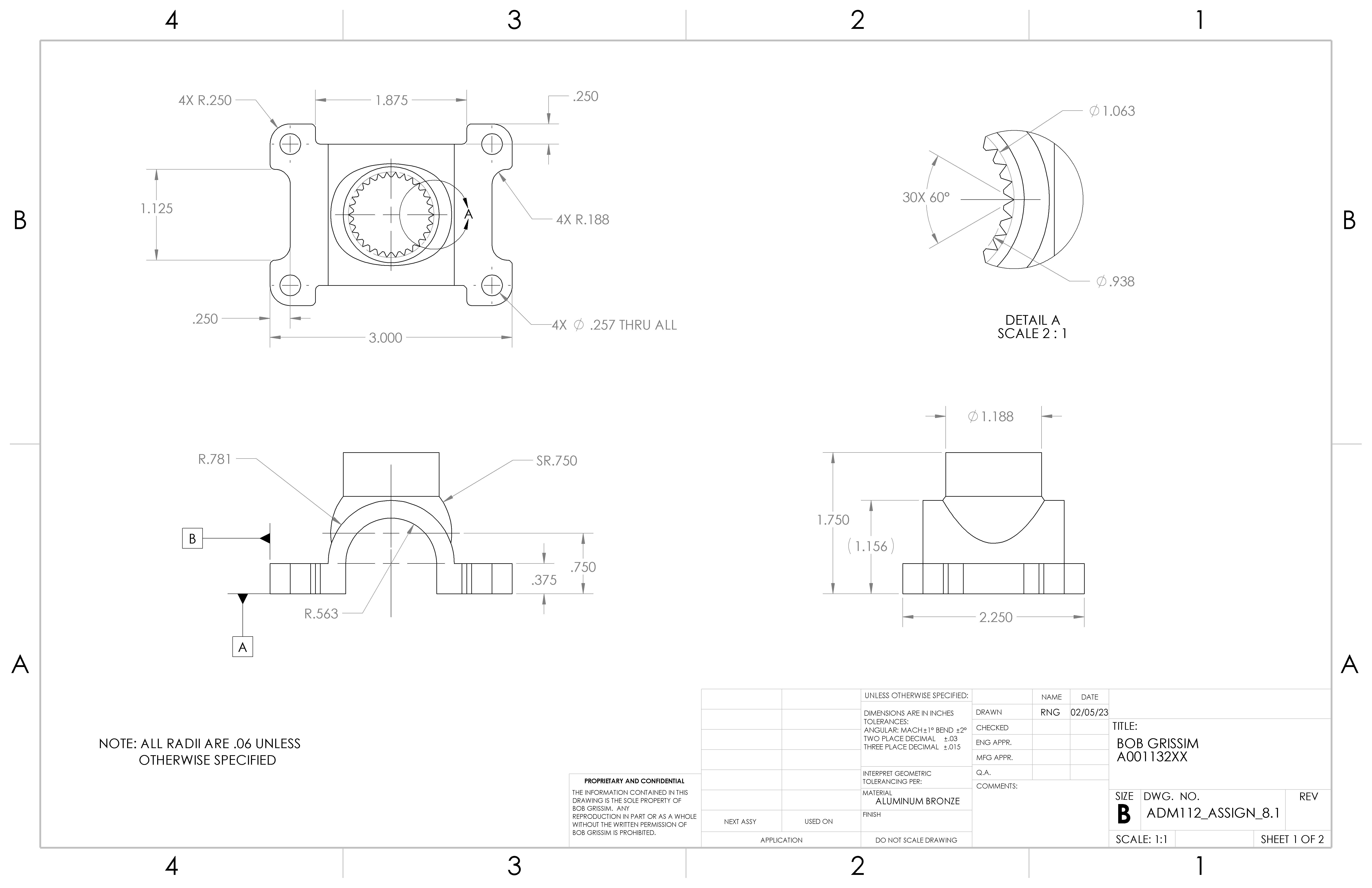
Step 1: Model dimensions
-
Step 2: Video
Using simple shapes to create a complex part. This tutorial is to show a new modeler that everything does not need to be completed in one or two steps.