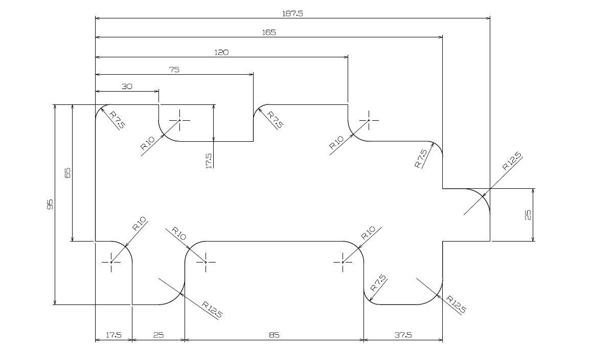
Catia problem
I made green line, but I can't make constraint other white lines... How to make horizontal constraints??
I need help with this Catia, and corner is very easy so please teach me how to make those white lines constraint...
I made green line, but I can't make constraint other white lines... How to make horizontal constraints??
I need help with this Catia, and corner is very easy so please teach me how to make those white lines constraint...