How to completely dimension this component? (SECTIONING)

Help me dimension this component using the industry standard practice wherein it can be read by other engineers. Help me make a working drawing in this component. I already made the views the only missing is the dimensions. i used SOLIDWORKS 2014. i also attached the design from the book from which i based my drawing.

PS: willing to donate thru paypal to anyone who can help me with this design problem.

2 Answers

The part file (sldprt) should also be uploaded.

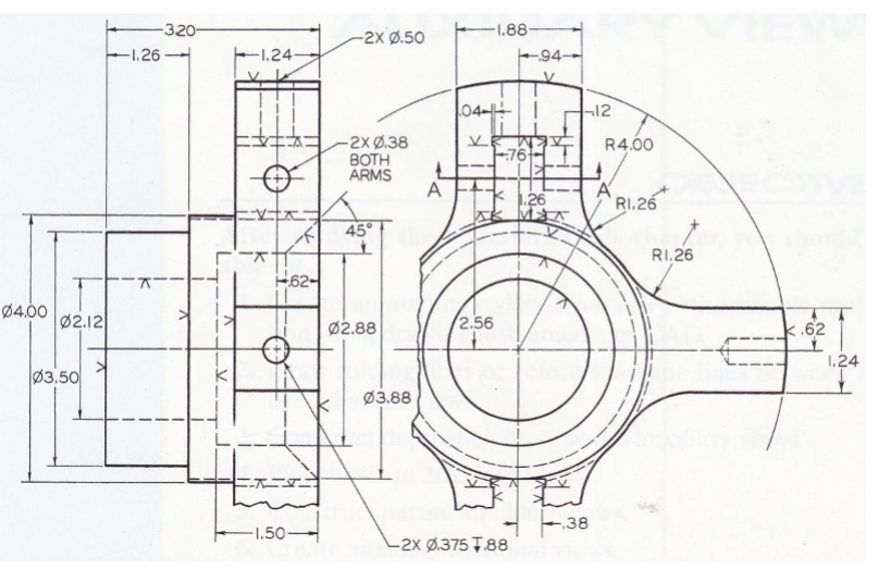
To a certain extent, you could essentially duplicate the dimension scheme shown in the image. It may not be the "modern" way to dimension a drawing, but it works fine, and is readable by an engineer.

I try my best to not make drawings, but you should likely mention what dimension standard you'd want. ANSI and ISO being the most common. As you mentioned inches as units, I'd assume ANSI, but one never knows.

The goal of the dimensions is to give the person producing the part all of the information they need to recreate the part as a physical object.
Every company will claim to use a standard, but they likely modify it somehow, and in that case really follow their own standard.

To dimension a drawing well, you really need to think like a manufacturer. Many disputes in shops are the result of an Engineer making a drawing for a Machinist. The job of the Machinist can be made easier, and the quality of the part can be improved by making sure the drawing is created well for the Machinist (or pattern maker, or anyone else).

The SolidWorks part is an "imported dumb solid" meaning it has no sketches, features,or dimensions associated with it anymore. This is not terrible, it just means that every dimension will need to be created manually. Sometimes you can save some work by importing dimensions.

You need to define what the goal is in sending this to a machine shop.
- Is this a school project and not a real world application?
- Will this part be cast, and then machined to size?
- Will the part be machined from a billet of material?
- What material will be used?
- What are the required tolerances for each feature?
- What are, and how important are those little square pockets? They will be rather expensive to produce (see image).

A machine shop these days would most likely create this via CNC machining, so the CAD model will be contain most of the information needed. A paper drawing would mostly call out critical dimensions, tolerances, geometric positions, and some notes regarding material, surface finish, and additional information for the tapped holes.

If a drawing is needed/desired, then a decision must be made regarding where the zero, origin, or reference is specified. I'd go with the "center" as it is mostly a "round part"

But, that leads to some problems. While the machine may make the part from the center out, how will it later be inspected? It is pretty difficult to measure from the center of a hole to the say an exterior edge.
I think some thought needs to go into the dimensioning scheme of this part so it can be both produced, and inspected without excess effort.