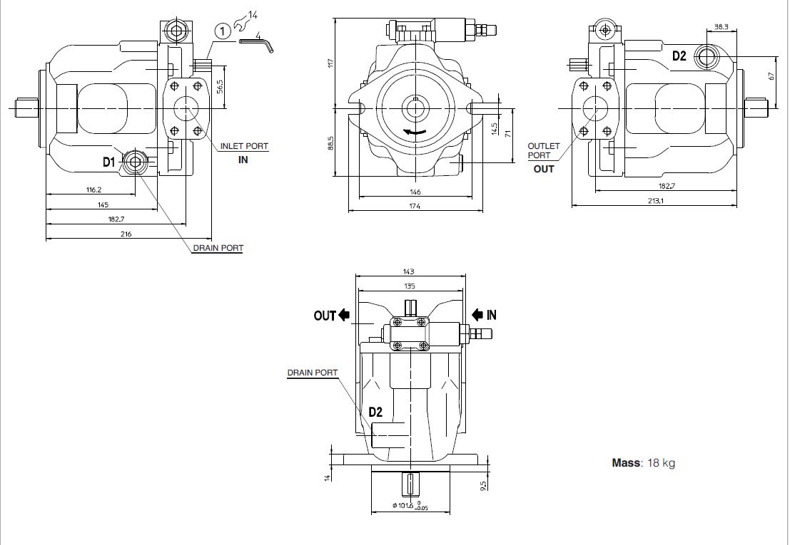
How to model the attached image in SolidWorks?

Can anyone provide me the Solid Works model of the attached pump? No dimension required. This is for learning purpose. I tried it, but was not successful. I just need to know, how these features are to be created.

Thank You.

2 Answers

Do you need it just like a one "single" model ?
In real life this pump is an assembly that consist of several parts.
How simple or really true You want it?
I could try to help you.