SOLIDWORKS - Exercise: 2D into 3D Modeling - Part design training -
Please, look, how it looks this 2d drawing in 3D as a body, watching this video.
https://youtu.be/Q8wlGo8aJUo
Thanks.
-
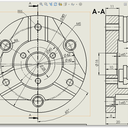
Step 1:

Please, look, how it looks this 2d drawing in 3D as a body, watching this video.
https://youtu.be/Q8wlGo8aJUo
Thanks.
