2D into 3D Modeling - Part design training - Autodesk INVENTOR - Exercise

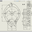
Look how it looks this 2d drawing in 3D as a body !

  1. Step 1:

    In this guide are displayed Autodesk INVENTOR steps modeling based on technical drawings 2D into 3D modeling.
    Example of exercise/Part Design training.

    Watch this video. Thanks!
    https://youtu.be/2YjWUHIdLsg

Comments