How do I draw this bracket in different methods

I am looking for as many perspectives as possible

3 Answers

A strategy:
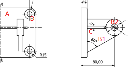
*Take advantage of symmetry to draw half a piece
*Sketch and extrude the base "A"
*Sketch and support "B": extrude "B1" and "B2"
*Sketch and extrude rib "C"
*Sketch "D" bore (can be done manually or with the drilling utility)
*Do mirror operation

If you have a dwg dxf drawing use it to draw a sketch.
If you only have this drawing, insert the picture of the drawing into the sketch and draw on it.
Pulling out the base.

"different methods"

If this were a real-world part design, I might look at the functionality and design around that. Let's say, some 'thing fits between the bosses and within that family of 'things' it varies from 80 mm to 120 mm. I might drive the design based on parameterization.. even if only making it for one 'thingamabob'. Famous last words.. "we will never do this again". I use to have a manager that said that all the time and 99.9% of the time, he was wrong. Something would change.. a new larger 'thingamabob' would be needed or discontinued or whatever, and we'd need to facilitate a change. It's always a good idea to drive the design around these things. Maybe it's the span widths between the bosses or the height or a number of factors.. but that might also (usually does) drive the method in which you design as well.

Just something to think about.