Hide modal button
GrabCAD Platform
Learn about the GrabCAD Platform
Get to know GrabCAD as an open software platform for Additive Manufacturing
Visit our new homepage
    • Home
    • Control
    • Shop
    • Streamline Pro
    • Partner Program
    • Print
    • Community
  • Log in
    • Library
    • Challenges
    • Groups
    • Questions
    • Tutorials
    • Engineers
      • Blog
        • Log in
Ask and answer engineering questions. New user? Join the community or log in.

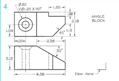
Solidworks Angle Block

Abdulrahman Almazni
Abdulrahman Almazni
5 Oct, 2021 08:36 PM

Solidworks please

CW6 part 1.jpg CW6 part 1.jpg
Share this awesome question with your friends
Social
Copy link
0 Answers
0 Followers
180 Views

Details

Created: 5 October, 2021
Software: SOLIDWORKS
Category: Modeling

Similar questions

  • Please make this model in solidworks and upload here with title Angle Block Thank you.
    1 answer 268 views 0 followers
  • How to add angle of projection symbol in Tittle block in Creo 3.0
    1 answer 1465 views 0 followers
  • Rib angle in SolidWorks
    5 answers 255 views 0 followers
  • solidworks angle decimal point
    2 answers 129 views 0 followers
  • angle dimension with fractions in SolidWorks?
    2 answers 206 views 0 followers
  • Tutorial - Limit Angle mate in SolidWorks?
    1 answer 917 views 0 followers
Log in or sign up to answer
White Stratasys Logo White GrabCAD Logo
© 2025 Stratasys Inc.
ABOUT US
Company
Jobs
RESOURCES
Blog
Resource Center
Support
GrabCAD Software Support
GrabCAD Community Support
SOCIAL
Facebook
Youtube
Instagram
Linkedin
Twitter
Streamline Pro
Overview
Control
Overview
Print
Overview
Pro
GrabCAD Print for FDM
GrabCAD Print for PolyJet
Digital Anatomy
SAF Technology
Origin
GrabCAD Print for Neo
fixturemate by trinckle
Shop
Overview
Features
Compare
Teachers & Lab Managers
IT & Security
Engineering Managers
PARTNERS
Software Partners
GrabCAD SDKs
COMMUNITY
Library
Challenges
Groups
Questions
Tutorials
Engineers
Contact Us Website Terms of Use Software Terms of Use Privacy policy Trademarks Your Data on GrabCAD
The Computer-Aided Design ("CAD") files and all associated content posted to this website are created, uploaded, managed and owned by third-party users. Each CAD and any associated text, image or data is in no way sponsored by or affiliated with any company, organization or real-world item, product, or good it may purport to portray.