BROKEN SECTION CUTTING LINE WITH SOLIDWORKS DRAFTING?

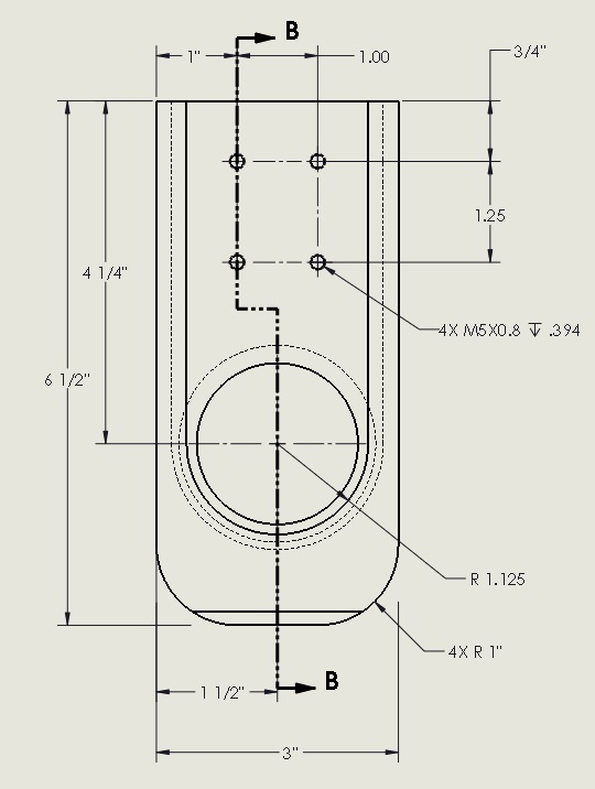
I have a busy drawing view that I need to take a jogged section cut through. The cutting plane line is continuous, which I don't want. (see attached picture 1 below) How can I change the line to just show the jogs? (see red lines in the other attached picture 2) Document Options only effects the straight section cuts, but not jogged cuts.

4 Answers

Start by making a regular section view, then try one of these buttons depending on the desired end result:

Thanks for the response Fred, but I don't think you understood my question.

How do I get the Cutting Line to display without the connections? Please refer to the attached image above SECT BB 2

Oh, I think I see the goal now.
I can't think of a good way to do it. The reasoning of course will be that removing those lines would make the drawing non-standard, but one thing I have found is that everyone makes non-standard drawings. Even the people that make "standard drawings" always make some modification.

My bad way of solving the issue would be to create the drawing view as you have it in image BB 1. Then screenshot/snip the view. Then drag the drawing view outside of the drawing border so (in the event it ever needs to be modified), now edit the image of the drawing view to remove the unwanted portions of the line, and finally insert - picture to place the picture of the drawing view back into the drawing.

If nobody else has a better method, you might also consider putting in an enhancement request for the new feature/option to modify those lines.

Thanks again for the quick reply Fred. I decided to go with the connected lines option, even if it does make the drawing hard to read. (I think it's too cluttered)

I did notice that using the third section option, will make the B-B cutting line exactly like I want, but the A-A cutting line is different.

Definitely a software bug.