Changing the lining density in drafting

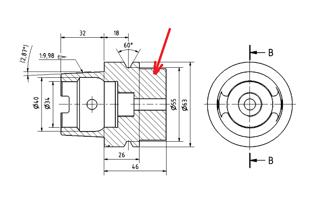
Is is possible to change the lining density in drafting enviroment? The red arrow indicates what I mean (in case my terminology is wrong).

1 Answer

Right-click on your drawing view, and choose Draw in View.
Left-click on the lines, and change the value for Spacing.