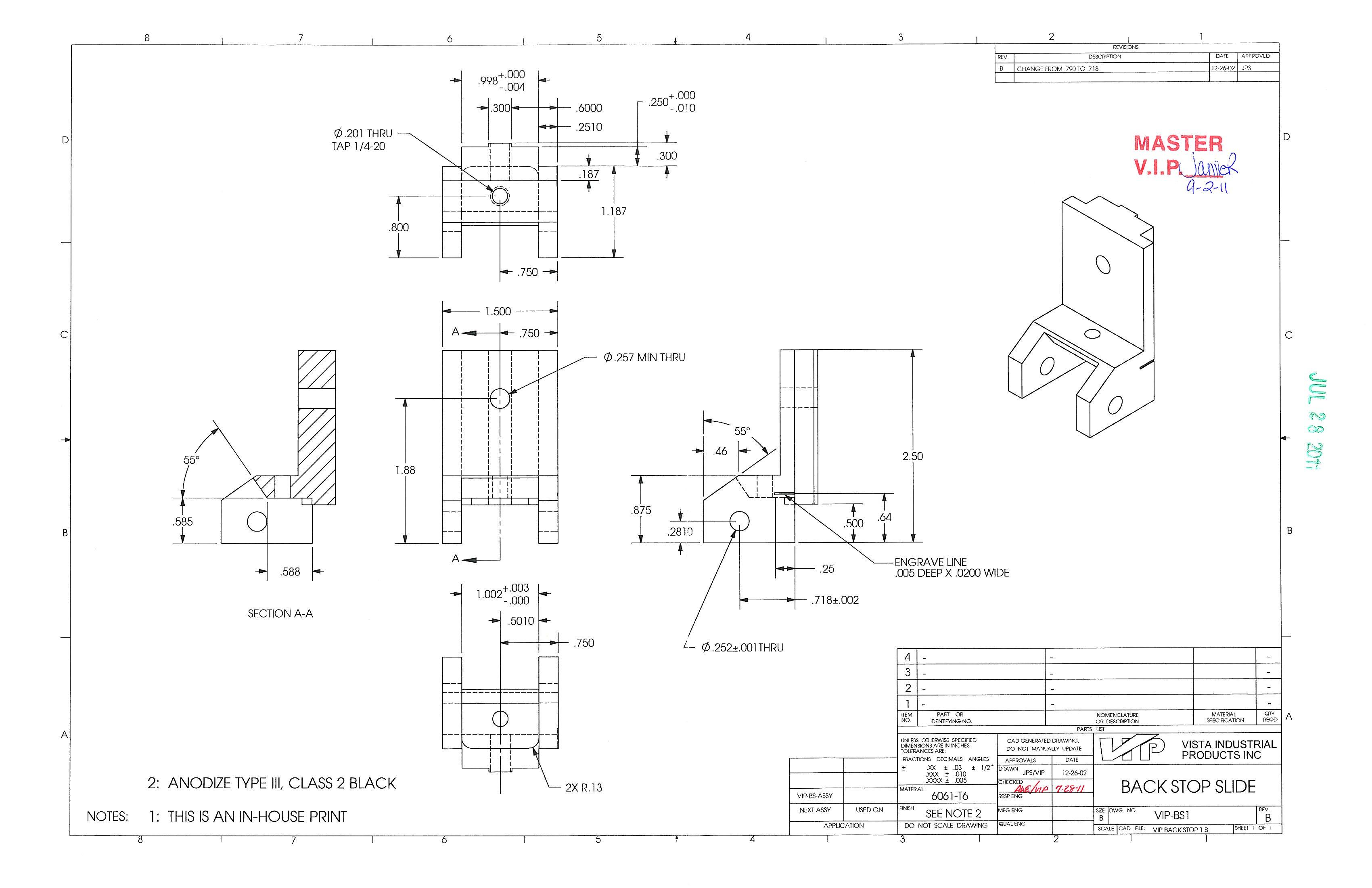
How Would You Make This Model? (Back Stop Slide)

I found this 2D drawing online and it looked like a good project to assign to my students. My plan is for them to model the 3D part, then create a duplicate of the 2D drawing. It's good practice for modeling from a print, creating a drawing, and duplicating a title block with a company logo.

My model is wrong. I can't figure out the bottom of the model where the fillets are added. Maybe you'll give it a shot and show me I'm reading the drawing wrong. No sense in assigning a project I can't figure out.

SW 2020 student version files attached (part and drawing), along with the original drawing in JPG format. The original drawing comes from this site: https://www.vista-industrial.com/blog/how-to-read-a-manufacturing-drawing/

I can open regular SW 2021 files too if you upload a correct model. I made these files with a student license so students can open it.

Accepted answer

I think you missed a cut feature on the bottom. Here is my version. I didn't compete the drawing, so I wont guaranty the dim's be I think I found the issue. Let me know if this looks right to you.

in machining, you'd want to mill out the first .500 in channel through the bottom, then do the last .035 inches only doing the pocket.


0 Other answers